51茶楼论坛网,广州茶楼51论坛qm,广州夜猫子ymz论坛,栖凤楼论坛官方网站

开关、插座、连接器专业制造
全国咨询热线:13712077807

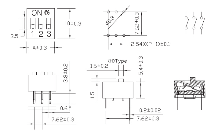
DS-12H

产品介绍

 

机械性能:电气特性
切换电流:25mA at 24VDC
不切换电流:100mA at 50VDC
动作力:1000gf Mat
机械寿命:3000cycles Operations
回流焊:260土5 0C for 3-5 seconds
初始阻抗:500Mf2 Max
寿后阻抗:100MS2 Max
绝缘阻抗:100Mi2 Min, 60sec at 100VDC
耐电压:300VAC for 60 seconds
开关电容:5pF Max at 1MHZ
工作温度:一300C to +85 0C
存储温度:-40 0C to +85 0C
包装规格:Reel卷装/下upe管装

 

产品信息二特点
产品特点:
2.54mm脚距;标准镀金接点;贴附耐电高温薄膜;
可耐高温的塑料本体设计。
拨码开关材质:
1底座:工程塑料UL94V一0高温材质(黑色)
2.上盖:工程塑料UL94V一0高温材质(黑色,红色,蓝色)
3.推钮:工程塑料UL94V-0高温材质(白色)
3.固定触点与可动触点:铜片镀金
3.引脚:铜片镀金
拨码开关焊接方式:
1.手焊:30瓦以下烙,摄氏350度以下不超过三秒钟或
摄氏270度以内不超过5秒钟。
2.回流焊:摄氏265度至摄氏275度10秒以内,请于焊接和
清洗时将推钮设在" OFF',的位置。
拨码开关包装方式:所有开关推钮在包装时都设置在" OFF“的位置。

 

 

 

 

 

 

 

 

 

 

在线客服
联系方式

热线电话

0769-85330959

手机号码

13712077807

二维码
线