51茶楼论坛网,广州茶楼51论坛qm,广州夜猫子ymz论坛,栖凤楼论坛官方网站

开关、插座、连接器专业制造
全国咨询热线:13712077807

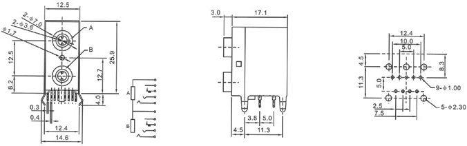
PJ-30130

产品介绍
PJ-30130    详情说明 型号:PJ-30130
技术指标:
使用温度范围 Temperature -30~70℃ 耐压 Withstand Voltage AC500V(50Hz)/min
额定负荷 Rated Load DC 30V 0.5A 插拔力 Actuating Force 3~20N
接触电阻 Contact Resistance ≤0.03Ω 寿命 Life 5000次
绝缘电阻 Insulation Resistance ≥100MΩ    

在线客服
联系方式

热线电话

0769-85330959

手机号码

13712077807

二维码
线